品牌:承滨牌
矿浆止回阀:HH44J-1.0
止回阀:HH44J-1.0
卧式止回阀:HH44J-1.0
起订:1台
供应:1000台
发货:3天内
立即购买
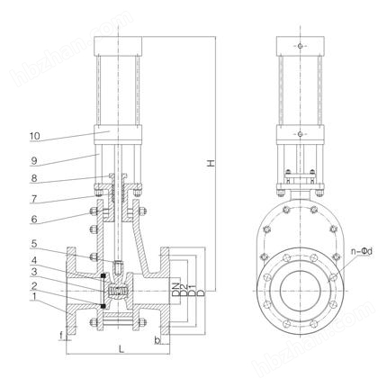
液动三片阀ZBY100-6.3液动三片式矿浆闸阀 液动三片阀ZBY150-6.3液动三片式矿浆闸阀 液动三片阀ZBY200-6.3液动三片式矿浆闸阀 液动三片阀ZBY250-6.3液动三片式矿浆闸阀 液动三片阀ZBY300-6.3液动三片式矿浆闸阀概述:
三片阀(三片式颗粒泥浆阀)因应用于矿山,钢铁,冶金,选矿,电站及污水处理等而得名,采用三片式组合而成,由铸造阀体和两片法兰焊接而成,硬质合金密封面和不锈钢闸板,具有结构合理,操作方便,开启快捷,具有耐磨、耐腐蚀、使用寿命长、互换性强,装配方便,维护费用低,经济效益高,密封可靠,避免“啃圈”现象等特点,适用于矿山,冶金,煤炭,化工,电厂等行业的颗粒物料输送管道的截止,是目前国内浆体输送系统理想的*阀门。
产品用途:矿浆阀用于矿山,钢铁,冶金,选矿,电站及污水处理等。
适用介质:泥浆,矿浆、煤浆、污水及渣水混合物
公称压力:0.6-2.5MPa、150Lb
公称通径:DN50-1200mm NPS 2"-20"
适用温度:-38-+425℃(具体温度范围视密封副材质和介质性质而定)
连接法兰:ANSI B16.5、GB/T9113、JB/T79、HG、SH、JIS、DIN、NF
主体材料:WCB、ZG1Cr18Ni9Ti、ZG1Cr18Ni12Mo2Ti、CF8、CF8M、CF3
密封型式:硬密封、软密封
泄漏量:硬密封:D级(液体0.1×DN mm3/s)软密封:* (零泄漏) 配套附件:安装法兰
传动方式:手动 伞齿轮 电动 气动 液动
